Home
Download PDF
Order CD-ROM
Order in Print
Figure 40. Primer, Manifold.
Figure 42. Frame and Related Parts.
TM-5-4320-216-20P Pump Centrifugal; Fresh Water; Gasoline Engine; Base Mounted; 4 In. 200 GPM 300 Ft Head (Carver Models) (Model 4 WHIS) Manual
Page Navigation
79
80
81
82
83
84
85
86
87
88
89
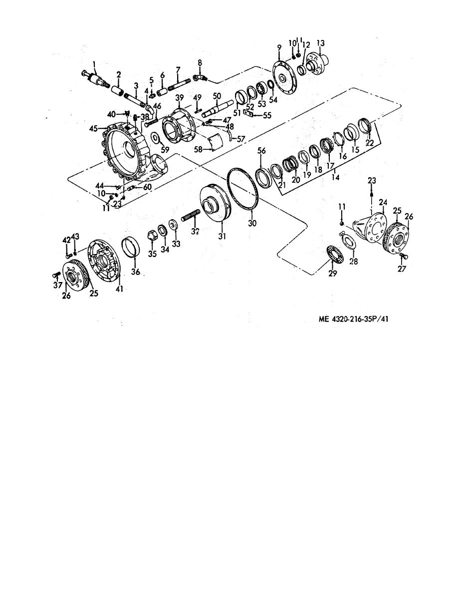
Figure
41.
Pump.
80