Home
Download PDF
Order CD-ROM
Order in Print
GROUP 30 FRAME AND RELATED PARTS-continued
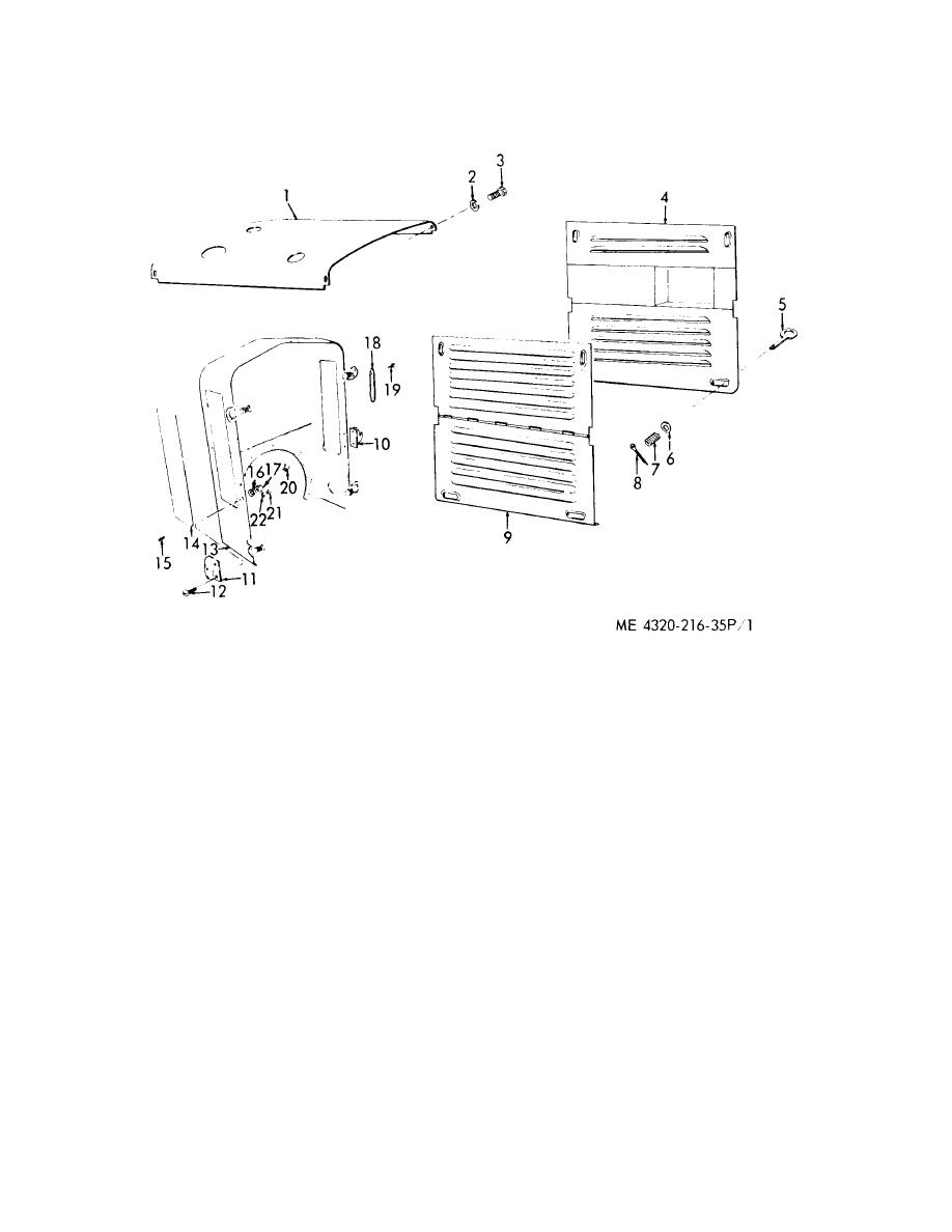
Figure 2. Hood and Rear Enclosure.
TM-5-4320-216-20P Pump Centrifugal; Fresh Water; Gasoline Engine; Base Mounted; 4 In. 200 GPM 300 Ft Head (Carver Models) (Model 4 WHIS) Manual
Page Navigation
44
45
46
47
48
49
50
51
52
53
54
Figure
1.
Hood,
Side
Covers,
and
Fasteners.
45