Home
Download PDF
Order CD-ROM
Order in Print
Figure 4. Control panel
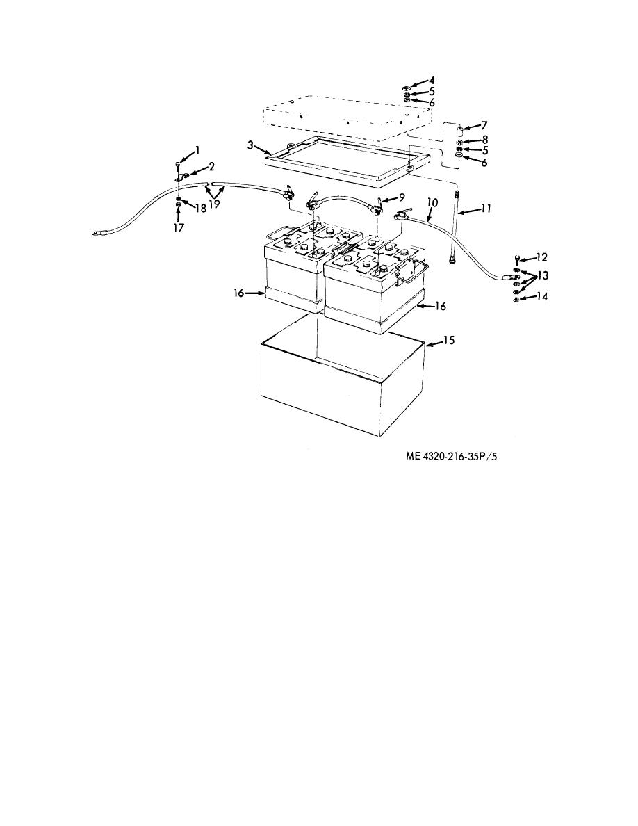
Figure 6. Battery Box Cover, Frame and Cable.
TM-5-4320-216-20P Pump Centrifugal; Fresh Water; Gasoline Engine; Base Mounted; 4 In. 200 GPM 300 Ft Head (Carver Models) (Model 4 WHIS) Manual
Page Navigation
48
49
50
51
52
53
54
55
56
57
58
Figure
5.
Battery
Box
Top
and
Cable.
49