Home
Download PDF
Order CD-ROM
Order in Print
Figure 2. Hood and Rear Enclosure.
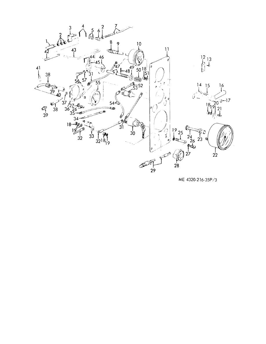
Figure 4. Control panel
TM-5-4320-216-20P Pump Centrifugal; Fresh Water; Gasoline Engine; Base Mounted; 4 In. 200 GPM 300 Ft Head (Carver Models) (Model 4 WHIS) Manual
Page Navigation
46
47
48
49
50
51
52
53
54
55
56
Figure
3.
Instrument
panel.
47